SkypeQQFInWhatAPPOAMail
XJM800
XJM800

XJM800/BD bright and dark field upright metallurgical microscope with the infinity optical system is suitable to observe opaque object


1. Introduction

XJM800/BD bright and dark field upright metallurgical microscope with the infinity optical system is suitable to observe opaque object. It can achieve polarization, dark field and DIC image. Compact and steady main frame body is embodiment for the shock resistance. The ideal ergonomic design is adopted in this unit and has easier operation and wider space.

With long working distance plan achromatic objectives (no cover glass), can get sharp pictures and wide field, With large move range mechanical stages, moving range:8"X8"(204mmX204mm), minimum division of fine focusing is 0.8μm. light with 100% can be to the top port.  


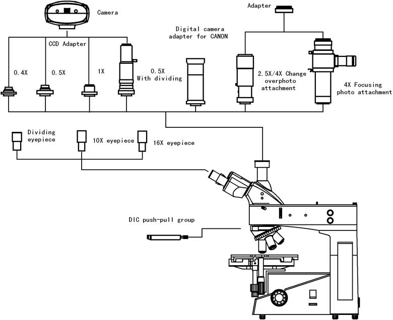
2. Structure

结构图3.jpg

3. Image

成像图2.png