1. Introduction
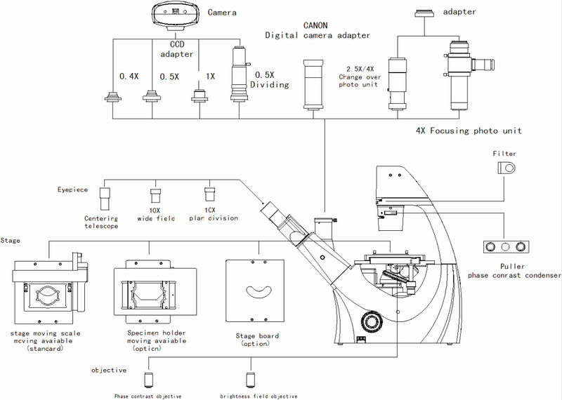
KXD800 inverted microscope is an inverted biological microscope with excellent optical system of infinity, which can provide excellent optical performance.Streamlined design concept, compact and stable high rigidity of the main body, fully embodies the requirements of microoperation vibration prevention.The ultra-long working distance focusing system can observe the uncontaminated cultured cells in the high culture dish or cylindrical flask. The lighting system fully considers the heat dissipation and safety. The ergonomic design concept makes the operation more convenient, comfortable and safe, and the space wider.The phase contrast device can be attached to the optical path to realize the microscopic observation of phase contrast.This instrument can be used for microscopic observation of cell tissue, transparent liquid tissue, dynamic microscopic observation of culture tissue in petri dish, and can be applied to scientific research institutes, colleges and universities, medical and health care, inspection and quarantine, agriculture, animal husbandry and dairy industry and other departments.
2. Structure


Specification | KXD800 | |
Optical System | Infinity Optical System F=200mm | ● |
Eyepiece | WF10X/22mm, Diameter 30mm | ● |
Centering telescope | ○ | |
WF10X/22mm (Reticule) | ○ | |
Viewing Head | Siedentopf trinocular head, interpupillary distance 53~75mm, 45°inclined, diopter adjustable | ● |
Nosepiece | Quintuple, Six, inward facing | ● |
Long Work-distance Objectives | Plan Achromatic 10X/0.25 WD=5mm t=1.2mm | ● |
Plan Achromatic 20X/0.40 WD=8.0mm t=1.2mm | ○ | |
Plan Achromatic 40X/0.60 WD=3.5mm t=1.2mm | ○ | |
Phase-Contrast Objectives | Plan Achromatic 10X/0.25 WD=4.27mm t=1.2mm | ● |
Plan Achromatic 20X/0.40 WD=8.0mm t=1.2mm | ● | |
Plan Achromatic 40X/0.60 WD=3.5mm t=1.2mm | ● | |
C-Mount | 1X | ○ |
0.5X | ○ | |
Stage | Fixed stage: 300×170mm, handle, Moving Range: 132.5×75mm | ● |
Stage: Ф28-100mm | ○ | |
Slide Plate (86x129mm, Φ87.5mm), replaceable | ● | |
Slide Plate (77.5×34mm, Φ68.5mm), replaceable | ● | |
Transmitted light Illumination | 70mm extreme long work distance condenser, NA=0.3, | ● |
Makes it easy change between 10X, 20X, 40X | ○ | |
6V 30W halogen lamp | ○ | |
5W LED | ● | |
Digital Camera Joint | (Please advise your digital camera model in advance) | ○ |
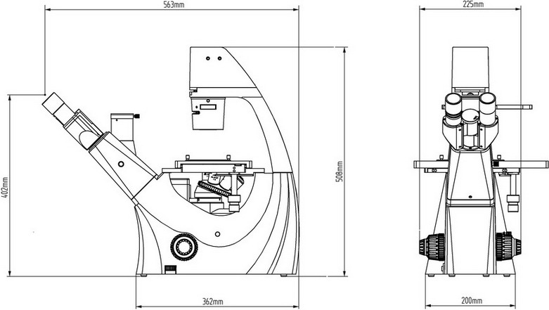
Weight/Volume | 16.1KGS, 64*43.5*60CM | |
Note: "●"In Table Is Standard outfits,"○" Is Optional Accessories.
1
1







