SkypeQQFInWhatAPPOAMail
XSK300
XSK300

                                           

1.Introduction

XSK300 upright metallurgical microscope is suitable to observe surfaces of opaque object. It is equipped excellent UIS optical system and modularization function design so that update system expediently and achieved polarization, dark field observation. Compact and steady main frame body is embodiment for the shock resistance. The ideal ergonomic design is adopted in this unit and has easier operation and wider space. This is ideal optical instrument for micro observation in metallographic structure and surface morphology. It is suitable for research in metallography, mineralogy, precision engineering, etc.It comes with the following Features
 With long working distance plan achromatic objectives (no cover glass) and wide-field eyepieces, can get clear pictures and wide view field
 With large move range mechanical stages,moving range:8"X8"(204mmX204mm)
 Coaxial coarse/fine focus system, with tensional adjustable and up stop, minimum division of fine focusing: 0.8μm
 6V 30W halogen lamp, adjustable brightness
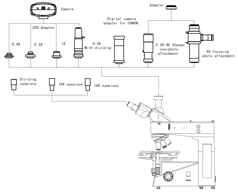
 Trinocular, can switch to normally/polarize observation, brightfield/darkfield observation. can send 100% of light to the binocular eyepieces or to the top port

 

2.Structure

结构图2.png

3. Image

 成像图2.png

            Dark field observation                Bright field observation          Polarization observation